General Dynamics SM-65 "Atlas".
"" "Atlas" ultimate weapon ""
Maquette Revell au 1/110. Référence : 8647 - 0389.
Historique : Les fusées et missiles d'aujourd'hui par Bill Gunston, aux éditions Elsevier Séquoia 1979.
Réalisation maquette et photos par votre serviteur.
Historique : Si la création du "Thor" fut la plus rapide de l'histoire, celle de l' "Atlas" fut probablement la plus grande et, si le programme "Navaho" antérieur n'avait mobilisé des moyens gigantesques, elle eut été considérable encore!
L' "Atlas" inaugura la série des ICBM occidentaux; il fut entrepris lorsque l'USAF eut compris l'inexactitude de son opinion sur les ICBM. Comme mentionné dans l'introduction de cet ouvrage, l'ICBM était réalisable dès 1954. Intimidée par l'ampleur de la tâche, l'USAF mit sur pied une toute nouvelle organisation, créant une société spéciale (Ramo-Wooldridge Inc, fondée par deux membres du Teapot Committee) et chargée de la conduite du programme sous la supervision d'un nouveau bureau de l'USAF baptisé Western Development Division et dirigé par un chef de brigade Bernard A. Schriever (prononcer Skîver).
En 1954, la division Convair de General Dynamics n'ignora rien de ces développements. En 1947, cette firme s'était attachée à l'ICBM de 8 047 km de portée envisagé par l'USAAF.
Sous la direction de Karel J. Bossart, d'origine belge, l'équipe de Vultee Field avait construit un véhicule expérimental, le MX-774; celui-ci avait volé trois fois en 1948 et testé des équipements aussi perfectionnés q'un moteur orientable, un cône de nez séparable et une structure en acier inoxydable laminé si fin qu'il avait fallu la garder gonflée comme un ballon.
Lancement d'un des premiers ICBM américains, un "Atlas" F avec véhicule de rentrée General Electric Mk3. Son fuselage de 23 m était fait d'acier inoxydable fin, stabilisé par pression interne, comme un ballon.
La firme Douglas battit tous les records de vitesse pour mettre au point le missile balistique à portée intermédiaire SM-75 "Thor". Celui-ci vola bien avant ses concurrents.
Source des deux photos: Les missiles par Robert Berman et Bill Gunston aux éditions Bordas 1984.
La fusée "Navaho" : un bombardier sans pilote lancé dans l'espace par une fusée... Un type d'arme ultime abandonné à la suite des succès de "Titan" et d' "Atlas".
En janvier 1955, Convair se vit attribuer la première adjudication du système d'arme 107A, baptisé "Atlas", le missile devenant SM-65. Ce fut un programme très important qui bénéficia, dès le mois de juin suivant, de la plus haute priorité nationale. Pour sa création, les ingénieurs de Brossart furent logés dans une nouvelle et vaste installation, appelée Convair Astronautics, construite à l'extérieur de San Diego, à Kearney Mesa. Autant que possible, le "principe de la concurrence" fut respecté : les 100 000 et quelques composants, provenant de plu de 3 500 fournisseurs, furent élaborés simultanément; les rendre compatibles ne fut qu'un des problèmes posés par cette arme qui, même si elle bénéficiait de l'expérience du "Navaho" innovait dans tous les domaines. Certaines des décisions qui durent être prises en 1955 furent malheureusement des erreurs et coûtèrent le prix d'un cycle de développement tronqué. Aucune, cependant, ne retarda nine dégrada sérieusement le système d'arme final.
L'une des décisions imposa le réservoir-ballon à parois minces et son remplissage à l'aide de lox/RP-1 pour l'alimentation des moteurs Rocketdyne du type précédemment élaboré. Par ailleurs, parce qu'on savait peu de choses sur les conditions de mise à feu de grandes chambres de poussée dans la haute atmosphère, et parce qu'un ICBM doit pouvoir larguer les systèmes de propulsion épuisés pour gagner du poids, l' "Atlas" fut conçu comme véhicule à "un étage et demi".
A la base conique, du réservoir-ballon se trouvait le support articulé du moteur principal LR89, de 25 855 kg de poussée au niveau de la mer. Autour de la base, figurait un anneau détachable à structure ondulée (parce que non pressurisé) pour les deux boosters LR105 orientables de 68 040 kg de poussée (74 844 kg ensuite). De chaque côté de l'anneau, un petit Vernier LR101 de 454 kg servait au réglage final de la trajectoire.
Les cinq moteurs étaient alimentés par les réservoirs principaux et mis à feu en même temps avant le décollage. Après 140 secondes environ, les boosters s'éteignaient et étaient largués. Le moteur principal et les Verniers brûlaient encore pendant 3 minutes encore pour un tir à portée complète.
L'une des décisions imposa le réservoir-ballon à parois minces et son remplissage à l'aide de lox/RP-1 pour l'alimentation des moteurs Rocketdyne du type précédemment élaboré. Par ailleurs, parce qu'on savait peu de choses sur les conditions de mise à feu de grandes chambres de poussée dans la haute atmosphère, et parce qu'un ICBM doit pouvoir larguer les systèmes de propulsion épuisés pour gagner du poids, l' "Atlas" fut conçu comme véhicule à "un étage et demi".
A la base conique, du réservoir-ballon se trouvait le support articulé du moteur principal LR89, de 25 855 kg de poussée au niveau de la mer. Autour de la base, figurait un anneau détachable à structure ondulée (parce que non pressurisé) pour les deux boosters LR105 orientables de 68 040 kg de poussée (74 844 kg ensuite). De chaque côté de l'anneau, un petit Vernier LR101 de 454 kg servait au réglage final de la trajectoire.
Les cinq moteurs étaient alimentés par les réservoirs principaux et mis à feu en même temps avant le décollage. Après 140 secondes environ, les boosters s'éteignaient et étaient largués. Le moteur principal et les Verniers brûlaient encore pendant 3 minutes encore pour un tir à portée complète.

Les propulseurs du missile ICBM General Dynamics SM-65 "Atlas".
Source: Les dossiers de l'Espace par Wim Dannau aux éditions Casterman 1966.


Chaîne de montage et intérieur d'une fusée "Atlas". Long de 27 m, l' "Atlas est fait d'acier inoxydable, incroyablement mince et léger mais assez résistant pour supporter 180 000 kg de poussée, une chaleur intense et des vitesses de 27 000 km/h.
Source des deux photos: Histoire de la fusée par Courtlandt Canby aux éditions Rencontre 1963.

Le réservoir à hydrogène liquide de la fusée américaine "Centaur", de 3 m de diamètre et 7 m de long. Pour réduire l'évaporation de l'hydrogène pendant la phase de fonctionnement du 1er étage ("Atlas D") de la fusée et la traversée des couches denses de l'atmosphère, le réservoir est entouré de panneaux minces de mousse de polyuréthane appliqués contre le corps métallique par une couche de fibres de verre. (Photo Goodyear Aerospace Corp.).
Source: Fusées et Astronautique aux éditions Larousse 1964.
Le premier lancement celui de l' "Atlas" 4A avec boosters seulement, eut lieu à Cap Carnaval le 11 juin 1957 (un booster s'éteignit trop tôt; le missile fut détruit par l'officier de sécurité après que le réservoir-ballon eut subi des efforts violents résultant de brusques virages). Le 6A fit un peu mieux le 25 septembre, et le 12A fut un plein succès. Le missile de la (deuxième) série B franchit 4 023 km le 2 août 1958. La portée théorique fut atteinte en novembre 1958. Un nouveau lancement fut effectué en septembre 1959 par une équipe du SAC au départ d'un GSE opérationnel. Les premiers missiles "Atlas"C utilisaient un système de guidage par radio et inerte qui empêchait le tir en salve mais fut jugé plus précis que les systèmes à inertie antérieurs.
En 1958, on décida d'attribuer ce système GE/Burroughs au "Titan" et d'équiper l' "Atlas" du système à inertie Bosh Arma de ce dernier. Le véhicule de rentrée de l' "Atlas" C'était le GE Mk 2 doté d'une épaisse plaque de cuivre servant de bouclier thermique. La plupart de ces modèles C furentemployés pour l'entraînement des troupes au premier complexe "Atlas" de Vandeberg AFB, occupé par le 576e SMS. La première version déployée en quantité fut l' "Atlas" D, SM-65D puis GGM-16D, équipé du RV GE Mk 3 à revêtement thermique, bien supérieur, au profil élancé et à la jupe évasée. Il atteignit l'IOC en 1960 à Warren AFB, dans le Wyoming.
Le 564e SMS y occupait sis emplacements en surface, dont les toits coulissants permettaient de dresser les missiles pour le remplissage de combustible et le lancement. Le 565e SMS possédait trois sites triples, davantage écartés les uns des autres, et dont les toits s'ouvraient sur le côté, faisant ainsi gagner plusieurs précieuses minutes sur le temps de réaction d'une demi-heure. Le 549e SMS était installé dans neuf "cercueils" à moitié blindés, enfoncés dans le sol et largement dispersés.
En octobre 1961, Fairchild AFB, dans l'Etat de Washington, et Forbes AFB, dans le Kansas, devinrent opérationnelles : missiles enterrés et système de communications.
En 1958, on décida d'attribuer ce système GE/Burroughs au "Titan" et d'équiper l' "Atlas" du système à inertie Bosh Arma de ce dernier. Le véhicule de rentrée de l' "Atlas" C'était le GE Mk 2 doté d'une épaisse plaque de cuivre servant de bouclier thermique. La plupart de ces modèles C furentemployés pour l'entraînement des troupes au premier complexe "Atlas" de Vandeberg AFB, occupé par le 576e SMS. La première version déployée en quantité fut l' "Atlas" D, SM-65D puis GGM-16D, équipé du RV GE Mk 3 à revêtement thermique, bien supérieur, au profil élancé et à la jupe évasée. Il atteignit l'IOC en 1960 à Warren AFB, dans le Wyoming.
Le 564e SMS y occupait sis emplacements en surface, dont les toits coulissants permettaient de dresser les missiles pour le remplissage de combustible et le lancement. Le 565e SMS possédait trois sites triples, davantage écartés les uns des autres, et dont les toits s'ouvraient sur le côté, faisant ainsi gagner plusieurs précieuses minutes sur le temps de réaction d'une demi-heure. Le 549e SMS était installé dans neuf "cercueils" à moitié blindés, enfoncés dans le sol et largement dispersés.
En octobre 1961, Fairchild AFB, dans l'Etat de Washington, et Forbes AFB, dans le Kansas, devinrent opérationnelles : missiles enterrés et système de communications.

Ultimes préparatifs d'un lancement d'exercice d'engin balistique intercontinental "Titan" I.

Lancement d'une fusée "Atlas", un des principaux engins de satellisation utilisés aux Etats-Unis.
Source des deux photos: Fusées et Astronautique aux éditions Larousse 1964.
Grâce au développement inattendu des ICBM soviétiques, la décision, tant retardée, fut finalement prise en 1959 d'installer tous les "Atlas" restants dans des silos blindés. Il fallait pour ce faire des silos géants : plus de 53 m de profondeur et de 16 m de diamètre ! Le missile était dressé verticalement sur un puissant déflecteur de flamme, lui-même monté sur un support protégé des chocs et élevé hydrauliquement jusqu'à la surface, tous les réservoirs du missile pleins, l'ensemble se trouvant équilibré par un contrepoids de 150 tonnes.
Le complexe suivant, aux quartiers généreux du SAC à Offut AFB, dans le Nebraska, était déjà trop avancé pour qu'on y installât des silos; on y effectua cependant trois tirs, chacun des trois "Atlas"E (CGM-A6E) dotés de boosters plus puissants et souvent du RV Avco Mk 5. Les Trainer "Atlas", USM-16D - 16E. L'installation en silo exigea d'apporter quelques modifications au missile : ce fut l' "Atlas" F, SM-65F puis HGM-16, installé en 1961-63. Lincoln AFB, dans le Nebraska, en reçut neuf et chacune des bases suivantes douze : Walker AFB, Nouveau-Maxique; Schlling AFB, Kansas; Dyess AFB, Texas; AltusAFB, Oklaoma et Plattsburgh AFB, New York. Les sites des Etats du Sud purent exister grâce au doublement de la portée théorique envisagée.
"" Caractéristiques d'un HGM-65F ""
Type : ICBM lancé à partir de sites fixes durcis.
Propulsion : Moteurs-fusée Rocketdyne LR89 de 25 855 kgp; deux moteurs auxiliaires de lancement Rocketdyne LR105 de 74 845 kgp, deux moteurs Vernier LR101 de 454 kgp; (tous alimentés en oxygène liquide et en kérosène RP-1).
Performances : Vitesse après extinction des moteurs, Mach 27; portée maximale, 18 500 km.
Poids : Au lancement, 117 900 kg.
Dimensions : Longueur, 25,15 m; diamètre du corps de la fusée, 3,05 m.
Ogive : Thermonucléaire,de 3 Mt sur les versions standard.
Guidage : Inertiel (Bosch Arma).
Contrôle : Orientation de la poussée du moteur-fusée et des moteurs auxiliaires de décollage; correction de la trajectoire en phase finale par les moteurs Vernier.

Photo du haut : Véhicule expérimental pour vol spatial (fusée "Atlas" et capsule "Mercury")
Photo du bas : Voici un exemple des complexes appareils électroniques qui contrôleront les essais et le lancement des fusées "Atlas".
Source des deux photos : Histoire de la fusée aux éditions Rencontre 1963.
Lancement de nuit d'un "Atlas" tous moteurs allumés. En plus du moteur-fusée et des deux moteurs "boosters", les deux moteurs Verniers de manœuvre sont clairement visibles sur cette photographie.
Source : L'Encyclopédie des Armes volume 8 aux éditions Atlas 1989.
"" Revell = = une merveille ""
Prélude: En 2011 (j'avais donc 63 ans), je me suis décidé à faire cette maquette achetée en 1983, quand j'étais en région parisienne pour mon travail. On peut constater que la mobilité des travailleurs existait déjà à cette époque, quand on voit maintenant qu'on en fait une affaire d'état, enfin bref ???...
A cette époque la situation était bien mieux que maintenant, je me suis donc offert toutes les rééditions Revell dans la série History Makers, à l'exception du canon atomique, (je n'ai jamais bien compris la chose), parait-il qui le remettre sur le marché cette année, on va voir ?.
La maquette: Réédition de 1959 (maquette que j'ai eu l'honneur d'avoir dans les mains quand j'étais enfant), cette maquette est superbe, splendide, se monte encore mieux que du Dragon, Hasegawa ou Trumpeter. (Ça va encore jaser dans les chaumières).
Il est impossible de se tromper au montage de cette maquette, Revell à cette époque avait prévu le demi-rond, le quart de rond pour la fixation des pièces, du travail d'artiste, facilitant le travail du maquettiste.
Avec un nombre de 220 pièces, moulées dans un plastique gris clair, cette maquette nécessitera que de l'ébavurage et masticage. Sur certaines pièces, il faudra enlever le numéro de moulage des pièces, oui à cette époque les numéros étaient moulés à même la pièce et non sur la grappe.
Un seul reproche les roues, elles ne sont pas très bien représentées, la mise en peinture devient un sport.....
Le montage: A tout seigneur, tout honneur.
Pour la description du montage, je vais opérer par étape, c'est-à-dire en montrant à chaque fois le scan du plan, et la réalisation de la maquette elle-même par photos.
Tout ceci sera accompagné d'un condensé, la mise en peinture, les difficultés, toute cette maquette a été mise en vernis satiné.
Une maquette comme celle-ci mérite qu'on s'y attarde dessus, cela rendra service aux maquettistes.
Etape 1: Le tracteur, amélioration de celui-ci, masticage, faire des vitres.
Peinture: Je me suis servit d'un jaune de grande surface qui est un RAL 1003, pratiquement le même que celui de Revell, le Lufthansa 310. Les autres peintures, argent, humbrol 67, 53, et 33.

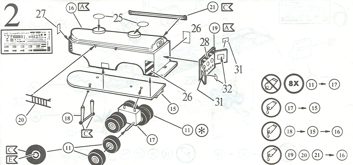
Etape 2: La remorque carburant, mettre une goutte de cyano à chaque axe (pièce 17) pour un meilleure solidité. Revell a imprimé en relief les cadrans sur la pièce 19, mais les décalques sont beaucoup mieux. Voir boîte à rabiot pour deux décalques pour remplacer les (25), c'est comme des cocardes anglaises.
Peinture: RAL 1003, argent et humbrol 67. Pour le gris j'ai utilisé aussi une bombe de grande surface le RAL 7001, qui est un mittelgrau 374 de chez Revell ou vous prenez le 128 de chez humbrol.


Etape 3: La citerne Nitrogen, mettre une goutte de cyano sur chaque axe (pièce 17), pour une meilleure solidité. Les décalques n°24 vont sur les côtés de la citerne.
Peinture: RAL 1003, RAL 7001, argent et humbrol 67 et 33.


Etape 4: Montage facile du groupe, la aussi les cadrans sont en relief, j'ai choisi les décalques.
Peinture: RAL 1003, et humbrol 67.
Etape 5-6 et 7: Montage du transporteur Atlas/Mercury,bien ébavurer toutes les pièces, il y a du turf, attention toutes ces pièces sont fragiles surtout les croisillons. Les pièces 30 et 32 se collent sur le dessus de la pièce 28 et non sur le côté (une erreur de plan).
Peinture: RAL 1003, argent et humbrol 33, 55, et 128.
Etape 8: Montage de la route allant au pas de tir, Revell en 1959 aidait vraiment les maquettistes, le système en demi-rond et les points de collage, il était impossible de se tromper. Je croyais avoir des difficultés pour les décalques, et bien non, comme sur un nuage, par contre pour le n°3, je les ai collé un par un.
Peinture: RAL 7001 ou le 128 de chez humbrol.

Etape 9-10-11-12-14 et 15: Enlever déjà les pièces 1-89 et 123 (2 fois) sur la pièce n°46, mettez-les de côté elles serviront après.
Bien ébavurer toutes les pièces, aucune difficultés majeure. Les pièces 45-46 et 52 seront en peinture RAL 7001 ou humbrol 128, (la pièce n°45 devra être mastiquée par endroit), les pièces 44-47-49-50-51 et 54 seront en argent.
J'en ai profité pour coller l'étape 14 et l'étape 15, la pièce 55 est très difficile à positionner, le tout sera en argent, ainsi que les pièces 61 (7 fois).
J'ai monté et collé à part avant mise en peinture les pièces 48-49--54-55-56 et 57.
Pour les grandes surface de la maquette, j'ai utilisé une bombe décorative métallisée, l'aspect est super.

Montage des pièces 48-49-54-55-56 et 57 avant peinture.

Etape 13 et 16: Montage de la passerelle et des tuyauteries, faire un bon ébavurage des pièces 61, échelles et rambardes, plus masticage. J'ai percé et évasé la pièce 60 pour pouvoir bien coller la pièce 60 A.
Peinture: argent et humbrol 19, RAL 1003.


Etape 17: Montage de la passerelle et des tuyauteries, faire un petit masticage et ponçage. Il faudra percer et évaser l'endroit où doit être collée la pièce 72 A, pour un meilleure solidité.
Peinture: argent, humbrol 19 et 33.

Etape 18 et 19: Montage de l'étape 17 sur l'étape 16, et diverses échelles et plate-forme.
Peinture: argent.

Etape 20: Montage et peinture du déflecteur.
Peinture: humbrol 19 et 33.

Etape 21: Montage des échelles, rambardes et plates-formes, faire un bon ébavurage.
Etape 22: Montage du dessus de la plate-forme, rambardes et du déflecteur. Faire un ébavurage en règle des rambardes car il reste beaucoup de pastille d'éjection.
Peinture: Tout le dessus a été mis en RAL 7001 ou humbrol 128, les rambardes en argent.Pour les décalques, idem que pour l'étape 8, j'ai découpé un par un le numéro 8, les 5 et 6 ont été posés tel quel, je vous le dis encore cette maquette est vraiment du billard pour la construction.
Etape 23: Montage du petit hangar, faire un masticage sur la pièce 90, ainsi qu'un ébavurage sur toutes les pièces.
Peinture: Argent, la pièce n°93 vert foncé. Sur les photos de l'étape 23, je vous montre la position des pièces 91 et 93, car sur le plan on y voit pas grand chose.
Etape 24: Montage du dessus de la plate-forme, le petit hangar, échelles, rambardes et plate-forme. Faire un bon ébavurage des rambardes car il reste beaucoup de pastilles d'éjections.
Peinture des rambardes : argent.

Etape 25 et 26: Montage du pas de tir, là aussi faire un bon ébavurage, attention aux petites pièces = fragile.
Peinture: RAL 1003, humbrol 19, 33 et argent.
Etape 27: Montage du système de l'élévation de la fusée Atlas, ces pièces sont très fragiles, idem que pour les étapes 25 et 26, ébavurage. C'est un peu le casse-tête pour le collage des pièces 113 et 114, il faudra même raccourcir celles-ci.
Peinture: RAL 1003, humbrol 19.
Etape 28 et 29: Collage des diverses pièces sur le dessus de la plate-forme, faire un ébavurage.
Peinture: RAL 1003 et RAL 7001, rouge, argent, vert foncé et noir.
Feux tricolores: Clear Colours de humbrol 1321, 1322 et 1325.
Extincteurs, portes-extincteurs et ensemble oxygène acétylène: Rouge, noir, blanc,olive drab et gris.
Ces pièces sont fragiles, j'en ai cassé quelques unes qui a fallut refaire en scratch.
Etape 30: Certainement la plus complexe car mal expliquée sur plan. Je m'explique: Après plusieurs montage à blanc, il faudra donc coller en premier la pièce n°86, le bout de cette pièce qui est demi-percée et évasée, ira se loger en bout de la pièce n°75, cette pièce fait partie de l'étape 20.
Jusque là tout va bien, la suite arrive: Assembler les pièces 136 et 137 et les coller en place. Coller ensuite 135, 132 et 134, et nous terminons par la pièce n°133.
Ce que j'ai fait pour coller tout cela, j'ai mis la maquette sur le côté en faisant attention de ne pas casser les autres pièces de l'autre côté. Je signale au passage que cette maquette a été collée à 80% à la cyano, vous voyiez la suite, le moindre choc, çà casse.
Peinture: Rouge, noir et argent.
Etape 31 et 32: Le lanceur et la capsule Mercury, sur le lanceur, il faudra mastiquer et enlever les cocardes américaines sur les pièces 2 et 3 qui sont en relief, si l'on veut faire le lanceur avec la capsule Mercury.
Sur la capsule Mercury: Bien ébavurer les pièces 145 (3 fois) et 146? Da mon côté j'ai tout collé, donc je n'ai pas fait l’intérieur de la capsule.
Peinture: Noir, rouge et argent.
"" Les photos de la maquette Revell ""


Jean - Marie























































Commentaires
Enregistrer un commentaire